热电阻
  热电偶
  配套仪表及仪表配件系列
  SBWR/SBWZ一体化温度变送..
  压力变送器
  液位变送器
  双金属温度计
  压力表
  流量计
  智能显示调节仪
  红外线测温仪
  补偿导线
详细信息
当前位置:首页->详细信息
铠装热电偶
发表时间:2010-9-26  文字 〖 〗  阅读次数:3366   [关闭窗口]
 

1、应用

    铠装热电偶具有能弯曲、耐高压、热响应时间快和坚固耐用等许多优点,它和工业用装配式热电偶一样,作为测量温度的传感器,通常与数显表、记录仪表和电子调节器配套使用,同时亦可以作为装配式热电偶的感温元件。它可以直接测量各种生产过程中从01200范围内的液体、蒸汽、气体介质以及固体表面的温度。

2、工作原理

    铠装热电偶的工作原理是由两种不同成分的导体两端经焊接形成回路,直接测量端叫测量端,接点端叫参比端。当测量端和参比端存在温差时,就会在回路中产生热点流,接上显示仪表,仪表上就会指示出热电偶所产生的热电动势的对应温度值。

    铠装热电偶的热电动势将随着测量端的温度升高而增长,热电动势的大小只和铠装热电偶导体材质以及两端温差有关,和热电极的长度、直径无关。

    铠装热电偶的结构是由导体、绝缘氧化镁和1Cr18Ni9Ti不锈钢保护管经多次拉制而成。铠装热电偶产品主要有接线盒、接线端子盒铠装热电偶组成基本机构,并配以各种安装固定装置组成。

3、结构

    铠装热电偶材料结构形式

4、型号表示

5、测量端(热端)结构形式

6、主要技术指标

    温度测量范围和允许误差

 热电响应时间:在温度出现阶跃变化时,热电偶的输出变化值相当于改阶跃变化的50%,所需要的时间称为热响应时间,用τ0.5表示。铠装热电偶响应时间不大于下表的规定:

绝缘电阻:当周围空气温度为20±15,相对湿度不大于80%时,绝缘型铠装热电偶的偶丝与外套管之间的绝缘电阻值应符合下表的规定:

铠装热电偶外径和名义长度标准规格

7、安装固定形式

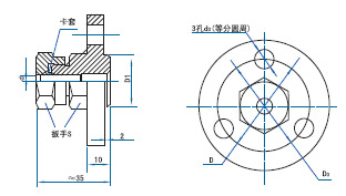
    固定装置是供用户安装使用。除了无固定装置产品除外,铠装热电偶固定装置有:固定卡套式、可动卡套式、固定法兰式、可动法兰式四种结构形式。固定卡套式供用户一次性固定,可动卡套式供用户多次固定、

    卡套螺纹接头

   卡套法兰盘

8、铠装热电偶接线盒形式

    接线盒供连接热电偶的自由端和显示仪表之用,目前有简易式、防水式、防爆式、圆接插式、扁接插式、手柄式(小接线盒式)、带补偿导线式多种结构形式。材质有铝合金和不锈钢两种。


文章分页:1 
苏ICP备10066628号-1南京肯佳仪表有限公司 版权所有
电话:025-86638237  13327837612  传真:025-86638237 地址:中国江苏省南京市秦淮区科巷1号大行宫新世纪广场B幢2107室