热电阻
  热电偶
  配套仪表及仪表配件系列
  SBWR/SBWZ一体化温度变送..
  压力变送器
  液位变送器
  双金属温度计
  压力表
  流量计
  智能显示调节仪
  红外线测温仪
  补偿导线
详细信息
当前位置:首页->详细信息
LB刮板流量计
发表时间:2010-9-22  文字 〖 〗  阅读次数:3149   [关闭窗口]

LB型刮板流量计是一种容积式流量计量仪表用以测量封闭管道中流体的体积流量。

【详细说明】

LB型刮板流量计是一种容积式流量计量仪表用以测量封闭管道中流体的体积流量。
   
流量计可以现场显示累积流量,并有远传输出接口,与相应的光电式电脉冲转换器和流量积算仪配套使用,可进行远程测量、显示和控制。
   
流量计具有精度高,重复性好,范围度大的特点,对流量计前后直管段要求不高。
   
适用较高粘度的流体,流体粘度变化对示值影响较小。适用无腐蚀性的流体,如原油、石油制品等。

本产品标准号:Q/YXBMl93-2001

本产品执行检定规程:JJG667-97液体容积式流量计检定规程

 

主要技术指标

型号

公称通径
mm

公称压力
MPa

最大流量
m^3/h

远传输出轴转速
m^3/r

LB-50

50

1.6
2.5
4.0
6.3

25

0.01

LB-80

80

60

LB-100

100

100

LB-150

150

250

0.1

LB-200

200

400

LB-250

250

600

LB-300

300

1000

 

精确度等级:

范围度51时,0.2

 

范围度10l时,0.5

介质温度:

0120℃,>120℃为特殊订货

介质粘度范围:

35000mPa.s

最大压力损失:

粘度为3mpa.s时,最大压力损失<0.03MPa

管道连接方式:

法兰连接,流量计法兰按JB/T79-94标准

型号表示

工作原理

   
如图所示,刮板在流体的推动下带动转子一起转动,转动过程中刮板在固定的凸轮的作用下依此伸出缩回,连续地与壳体壁形成计量腔计量流体体积,计量腔的容积是固定的,因此,转子的转数与流过流量计的流体体积成正比,通过减速机构在计数器中得到流体体积。

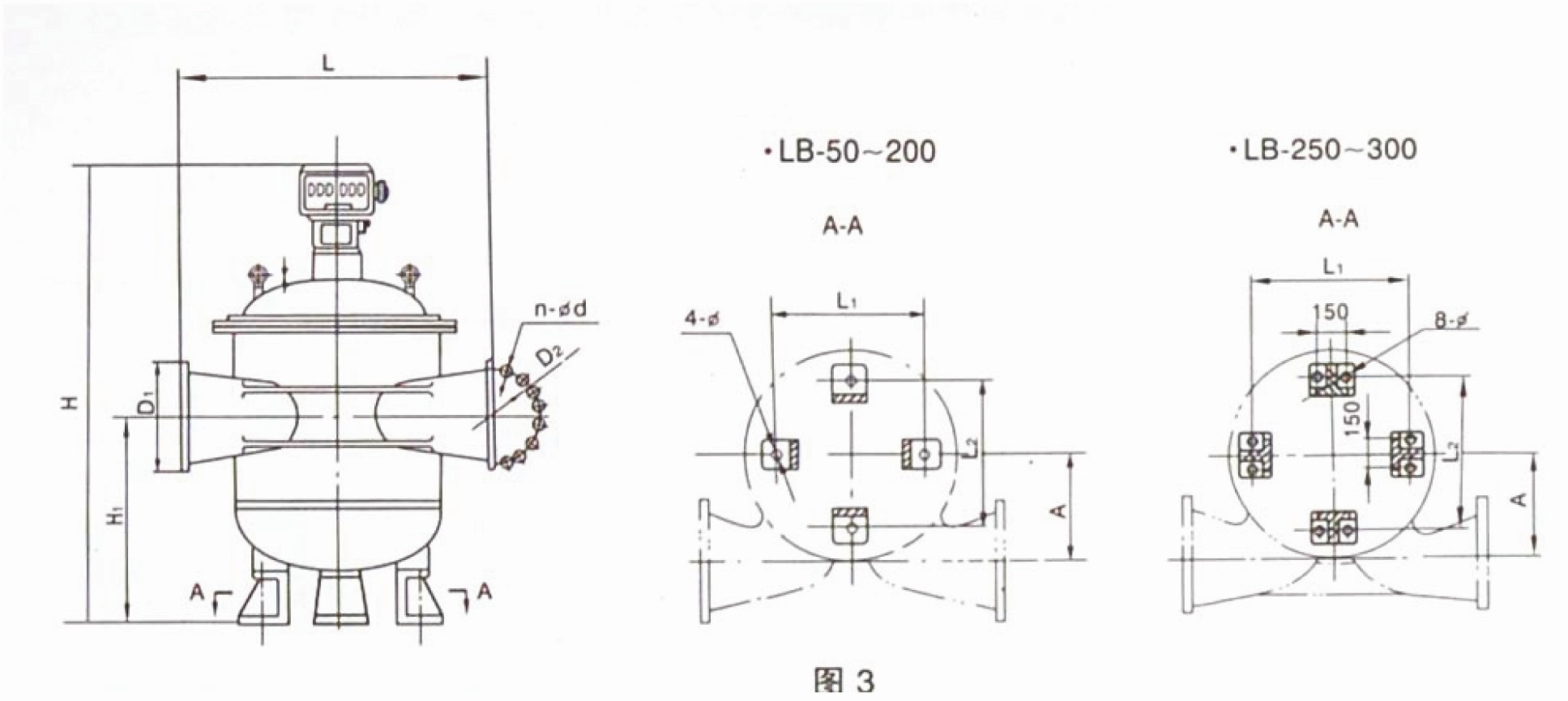
结构图

   
刮板流量计主要由壳体、计量体、齿轮减速机构、出轴密封机构,精度修正器、计数器等组成。

 

 

外形及安装尺寸

   

型号

公称
压力
MPa

总高
H

中心高
H1

底座
位置
A

底座螺
栓位置
L1×L2

底座螺栓
孔尺寸
Φ

法兰
间距
L

法兰
外圆
D1

螺栓孔
中心圆
D2

螺栓
孔径
n-Φd

连接
螺栓
n-Md1

重量
kg

LB-50

1.6

868

208

100

230×230

4-Φ23

360

Φ160

Φ125

4-Φ18

4-M16

55

2.5

Φ160

Φ125

4-Φ18

4-M16

4.0

Φ160

Φ125

4-Φ18

4-M16

6.3

Φ175

Φ135

4-Φ23

4-M20

LB-80

1.6

963

310

150

320×320

4-Φ23

460

Φ195

Φ160

4-Φ18

4-M16

95

2.5

Φ195

Φ160

4-Φ18

4-M16

4.0

Φ195

Φ160

4-Φ18

4-M16

6.3

Φ210

Φ170

4-Φ23

4-M20

LB-100

1.6

963

310

150

320×320

4-Φ23

500

Φ215

Φ180

4-Φ18

4-M16

120

2.5

Φ230

Φ190

4-Φ23

4-M20

4.0

Φ230

Φ190

4-Φ23

4-M20

6.3

Φ230

Φ200

4-Φ25

4-M22

LB-150

1.6

1263

420

190

420×420

4-Φ27

650

Φ280

Φ240

8-Φ23

8-M20

380

2.5

Φ300

Φ250

8-Φ25

8-M22

4.0

Φ300

Φ250

8-Φ25

8-M22

6.3

Φ340

Φ280

8-Φ34

8-M30

LB-200

1.6

1343

500

300

480×480

4-Φ27

700

Φ335

Φ295

12-Φ23

12-M20

700

2.5

Φ360

Φ310

12-Φ25

12-M22

4.0

Φ375

Φ320

12-Φ30

12-M27

6.3

Φ405

Φ345

12-Φ34

12-M30

LB-250

1.6

1650

680

350

560×560

8-Φ23

1000

Φ405

Φ355

12-Φ25

12-M22

1200

2.5

Φ425

Φ370

12-Φ30

12-M27

4.0

Φ445

Φ385

12-Φ34

12-M30

6.3

Φ470

Φ400

12-Φ41

12-M36

LB-300

1.6

1720

786

410

660×660

8-Φ23

1000

Φ460

Φ410

12-Φ25

12-M22

2200

2.5

Φ485

Φ430

16-Φ30

16-M27

4.0

Φ510

Φ450

16-Φ34

16-M30

6.3

Φ530

Φ460

16-Φ41

16-M36

   

管道安装形式(示意图)

 

注:安装要求
·
选择在振动较小的场合,避免高温、潮湿。
·
流量计应竖直安装,所在管道应为水平管道。
·
流量计安装前,应先将管道内的焊渣,铁屑等杂质清洗干净。
·
流量计应位于管道中的较低位置,以便混在流体中的气体在别处在高的地方分离出来,必要时在流量计前安装消气器。
·
过滤器,消气器等应安装在流量计上游管道,流量调节阀门则应安装在下游管道。

光电式电脉冲转换器接线端子图

 

配套产品

·
光电式电脉冲转换器

产品型号

功 能 简 介

LPJ-12D

 隔爆型,触头信号1/转,90℃相位差双路脉冲信号1000/

LPJ-12D/FI

 除具有LPJ-12D的功能外,还具有输出模拟信号420mA的功能


·
流量数字积算仪

产品型号

功能简介

XSJ-39A(I、K

同时显示总量,瞬时流量,420mA电流输出,可定量控制

XSJ-39B(I

总量、瞬时流量显示,420mA电流输出,误差≤±0.1%,结构小型精巧,可任选LEDLCD显示,断电保护时间5

XSF-40A

总量累计,流量瞬时值指示,010mA420mA电流输出

SXP-3113

模块化设计,可根据需要进行温度、压力补偿,显示体积或质量流量的总量、瞬时值及瞬时值的百分比,010mA420mA电流输出,本仪表也可用于气体流量积算显示

XSK-10B

流量数字定量控制仪,可以实现定量灌装,显示液体的流量和累计总量




订货须知

1.
如流体介质中有污物,如泥沙等,则必须配过滤器。

2.
如液体中含有气体,则必须配消气器。

3.
需要进行远距离流量显示及配接调节器,记录仪其它仪表时,可订购本公司生产的光电式电脉冲转换器及流量数字积算仪配套使用。详细情况请参阅各种型号转换器与积算仪的说明书。
·
请注明产品的型号规格。
·
请注明流体介质的名称、粘度、常用压力、公称压力、使用温度范围。
·
请注明流体的常用流量、流量范围及精度要求。
·
若需配置本公司生产的光电式电脉冲转换器、过滤器、消气器及流量积算仪时,可同时订货说明。
·
若用户另有特殊要求时,可与本公司销售部门商谈。

关键零件材料

壳体 :结构钢
刮板 :合金钢
凸轮 :特殊处理的合金钢
轴承 :特殊配方的含油粉末冶金
滚子 :特殊处理的合金钢

用户如有特殊需求可协商


文章分页:1 
苏ICP备10066628号-1南京肯佳仪表有限公司 版权所有
电话:025-86638237  13327837612  传真:025-86638237 地址:中国江苏省南京市秦淮区科巷1号大行宫新世纪广场B幢2107室